Factsheets, Plans and Map, Review Report
Fact Sheet - Engineering aspects
Minimum reclamation extent
- CRIII is designed to provide land for the construction of essential transport infrastructure to meet present and future public need. The infrastructure within the Reclamation includes:
1. Central - Wan Chai Bypass (CWB)
2. Road P2 network
3. Airport Railway extended overrun tunnel
4. Reprovisioned cooling water pumping stations
5. Reprovisioned ferry piers
6. Reprovisioned public landing steps
7. PLA berth
8. North Hong Kong Island Line
- The limit of reclamation is determined by the alignment of the CWB and the reprovisioning of facilities affected by the reclamation. A minimum reclamation approach has been adopted.
Central-Wan Chai Bypass
- The CWB will link Rumsey Street Flyover in the west and the Island Eastern Corridor in the east via a new Island Eastern Corridor Link to form a relief route to Connaught Road Central/Harcourt Road/Gloucester Road on Hong Kong Island.
- Analyses of horizontal and vertical alignment options for the CWB conclude that the extent of reclamation for the CWB under the CRIII is the minimum required.
- The CWB within the CRIII satisfies the Court of Final Appeal's "overriding public need test". To build this road, there is no reasonable alternative to reclamation.
- See the Central - Wan Chai Bypass Fact Sheet for further details.
Road P2 Network
- The Road P2 network is required to connect the existing roads built under Central Reclamation Phases I and II to prevent gridlock at the already congested roads and junctions in Central such as Man Po Street, Man Yiu Street and Man Cheung Street/Man Yiu Street junction.
- There is an urgent need to complete the Road P2 network before 2006/2007.
- According to Dr Cheng Hon-kwan, former Chairman of Transport Advisory Committee, the Road P2 network is urgently needed to resolve the traffic congestion problem in Central and Wan Chai.
- Mr Koo Yuk-chan, a civil and geotechnical engineer, has warned that a delay in the construction of the Road P2 network "will adversely affect the operation of the Airport Railway Station, the IFC and other facilities in the area, resulting in considerable economic loss and public inconvenience".
- Professor C O Tong, Associate Professor, Department of Civil Engineering, the University of Hong Kong, said, "the Road P2 network, together with the CWB, was needed to ensure the provision of a functional and balanced road network. There was no reasonable alternative but to build the planned roads in order to increase the capacity of the existing crowded road network". Professor Tong strongly supports the building of the CWB and Road P2 network.
- There is an overriding public need for the Road P2 network. There are no reasonable alternatives, as restricting traffic into the area will result in considerable economic loss and adversely affect the operation of the Airport Railway Station, the IFC, the ferry piers, and other facilities or businesses in the area.
- See the Road P2 network Fact Sheet for further details.
Airport Railway Extended Overrun Tunnel
- MTRCL Project Director, Mr R J Black, has pointed out that "the provision of an adequate length of overrun tunnel is a safety issue". He said "the current overrun tunnel arrangement will only remain acceptable until 2006 based on recent trends in railway patronage growth" and that the "MTRCL's firmly held view is that the overrun tunnel extension is required as soon as practically possible".
- It is clear that the existing short overrun tunnel east of Hong Kong Station was a compromise solution to reclamation phasing problems and is not adequate to meet safety and operational requirements for improved service levels. Reclamation to provide the Airport Railway Extended Overrun Tunnel can satisfy the overriding public need test - in fact, that need was an integral part of the Airport Railway at the time the project was conceived. An extended overrun tunnel to meet safety requirements is very much a current need.
- There is no reasonable alternative, and the extent of reclamation is the minimum required based on an acceptable alignment.
- See the Airport Railway Extended Overrun Tunnel Fact Sheet for further details.
Reprovisioning of Cooling Water Pumping Stations
- Some people have suggested relocating the pumping stations and introducing suction culverts around the CWB. Mr Albert Cheng Wai-shing, a chartered engineer, points out that such an option will "impose hydraulic difficulties in maintaining a self-cleansing velocity in the culverts, which will subsequently cause settlement and maintenance problems".
- Another chartered engineer, Mr Edwin Chung Kwok Fai, of Black & Veatch Hong Kong Limited, has studied some pumping station design alternatives other than the one proposed by the Government. He believes that other designs are either impractical, or do not follow the common practice, or will impose severe constraints to the design of the pipes and the CWB structure as well as its method of construction.
- Taking account of the social, cost and environmental factors, the current pumping station design represents the best solution.
Reprovisioning of Ferry Piers
- The "Central - Tsim Sha Tsui" ferry services have been operating since 1888. The Tsim Sha Tsui (East) and Hung Hom ferry services have been operating since 1986 and 1965 respectively. These reprovisioning of ferry terminals meets a compelling and present need of the community.
- There is no reasonable alternative to a permanent reprovisioning of the Star Ferry piers.
Reprovisioning of Public Landing Steps
- CRIII will affect 15 sets of public landing steps along the current shoreline, including the popular and very well-patronized Queen's Pier. The landing steps are heavily used by vessels engaged in various activities such as port operations, harbour tours and recreational activities. Reprovisioning is necessary to ensure their continued operation.
- A total of 12 sets of landing steps will be reprovisioned within CRIII at Piers 9 and 10, adjacent to the pier cluster at the Central Waterfront, where users may benefit from nearby public transport infrastructure.
There is an overriding public need to reprovision the essential facilities of water-cooling pumping stations, ferry piers and public landing steps affected by the CRIII works. There is no reasonable alternative and the extent of reclamation is the minimum required for these purposes.
PLA Berth
- The 1994 Sino-British Defence Land Agreement states that "the Hong Kong Government will leave free 150 metres of the eventual permanent waterfront in the plans for the Central and Wan Chai Reclamation at a place close to the Prince of Wales Barracks for the construction of a military dock after 1997".
- Any PLA Berth cannot be moved further southward (landward). The reclamation is no more than that required under the Defence Lands Agreement.
North Hong Kong Island Line
- The CRIII gives due consideration to a future North Island Line (NIL) and has sought to protect its alignment. Although the NIL will not be needed before 2016, the alignment for this strategic rail link should be protected administratively to ensure future construction is not jeopardized.
- According to the MTRCL's Mr R J Black, "if the proposed NIL is to remain an achievable element of Hong Kong's future railway network, the physical alignment requires planning route protection from the encroachment of other infrastructure".
Experts' Views
- The extent of reclamation is the minimum required for the purpose. Ir Dr the Hon Raymond Ho believes that the extent of the CRIII reclamation is justified. He says: "I do not think that the reclamation extent in CRIII is excessive. The 18 hectares required for reclamation under CRIII is already minimum." Dr Ho's view is echoed by Mr Maurice Lee Wing-woo, a civil, environmental, geotechnical and structural engineer, who points out that "the extent of reclamation in CRIII is the optimal solution to the needs. Any delay in CRIII will delay such required works and induce negative social and economic impacts". On the future coastline of CRIII, Mr Lee adds that "the new coastline after CRIII will enhance the existing coastline with respect to continuation of land use and infrastructure, aesthetic performance of the coastline, and water current".
- Some engineers have pointed out that CRIII will enhance the tidal flow and water quality of Victoria Harbour. Professor Y S Li and Ir Dr the Hon Raymond Ho have both made this point. According to Professor Y S Li, Chair Professor of Coastal and Environmental Engineering and Head of Department of Civil and Structural Engineering of Hong Kong Polytechnic University, "the CRIII reclamation will enhance the tidal flow and water quality in Victoria Harbour by eliminating a zone of rather stagnant water". Dr the Hon Raymond Ho has made very similar remarks.
Alignment of Central-Wan Chai Bypass (CWB)
Alignment Constraints
- The alignment of the CWB is dictated by the following constraints:
- Rumsey Street Flyover (at western end of the CWB) which has already been built for the future extension of CWB.
- Existing and on-going developments nearby, including the Harbour Building, Exchange Square, One and Two International Finance Centre, the Four Seasons Hotel, Hong Kong Convention and Exhibition Centre and Extension, Wan Chai Towers and Central Plaza;
- Existing major roads including Connaught Road Central, Harcourt Road, Gloucester Road, Man Cheung Street;
- Existing underground structures including the MTR Tsuen Wan Line and the Airport Railway;
- The existing MTR Cross-Harbour Tunnel (Tsuen Wan Line) including the joints of the tunnel tube;
- The Cross-Harbour Tunnel in Causeway Bay; and
- The Island Eastern Corridor (the eastern end of the CWB & the Island Eastern Corridor Link).
These are shown on Figure 1 (Appendix 2.2 of Nov 2003 review report):Figure 1 - Proposed CWB and IEC Link from Rumsey Street Flyover to Causeway Bay
Horizontal Alignment within the CRIII area
- Various horizontal alignment options have been analysed, as shown in Figure 2 (Appendix 2.3 of Nov 2003 review report).
Figure 2 - Horizontal Alignment Options for the section of CWB between Rumsey Street flyover and Man Yiu Street
The conclusion was that the adopted alignment is the only feasible option. The reasons are:
- Constructing the CWB along Connaught Road Central will occupy existing road space, which is already saturated. This option defeats the purpose of providing a complementary route to Connaught Road Central.
- Construct the CWB along the alignment of the existing Airport Railway (in tunnel form) is not feasible as no additional loading is allowed on this tunnel.
- Other options would require demolition of the existing commercial and office buildings in the Central Business District and therefore are not acceptable.
- Another major consideration on alignment design is the joints between the tunnel tubes of the existing MTR Cross Harbour Tunnel (Tsuen Wan Line). MTRC maintenance requirements stipulate that those joints cannot be obstructed by the CWB to ensure regular inspection and necessary repair works.
- In addition, the curvature of the CWB alignment area has been examined to bring the CWB as close as possible to the existing shoreline and thus reduce the extent of reclamation. However, since the CWB within the CRIII is a tunnel, it is important to avoid a sharp curve and to maintain a minimum sight distance for driving safety. As a result, the horizontal alignment of the CWB cannot be shifted further southward (landward).
Vertical alignment within CRIII area
- Various vertical alignment options have been also examined but found unsuitable -
- Elevated option : Not preferred because of negative impact on visual environment, air quality, noise, land values and urban planning.
- At-grade option : Not acceptable. Apart from the negative impact on air quality, noise pollution and the visual environment, the at-grade option will increase the total reclamation area because the current tunnel option allows the P2 Road Network to be partly built over the CWB tunnel
- Immersed tube tunnel options : Not feasible without reclamation over the top because of the following constraints and adverse impacts:
i. Above seabed
- If an immersed tube about 10 metres high is placed above the existing seabed level, which is at around -12mPD (Figure 3)Figure 3 - Immersed tube tunnel option - above seabed
The remaining navigational depth will be about 2 metres, which is clearly not adequate even for ferries. Under such circumstances, all piers including the Star Ferry Piers, Queen's Pier and the PLA berth will need to be located north of the CWB. In addition, the area between the existing shoreline and the CWB will become a zone of stagnant water which will cause localized adverse water quality. In addition, reclamation is still required to protect the CWB and to reprovision other facilities.
ii. Below seabed
Profile at MTR Tsuen Wan Line
- The road level of the CWB, as well as its eastbound slip road to the Hong Kong Convention and Exhibition Centre Extension, will need to be raised to -7.1 mPD to avoid clashing with the existing MTR Cross Harbour Tunnel (Tsuen Wan Line) with its roof at -14.6mPD (Figure 4).Figure 4 - Immersed tube tunnel option - below seabed, profile between PLA berth and Central Reclamation Phase I
- Constructing the CWB as an immersed tube tunnel, without reclamation over the top of it, would result in various problems mainly associated with the fact that the tunnel structure would be above seabed level. The tunnel structure itself would be an eyesore, especially with debris being deposited on the roof, creating an unsightly waterfront. Tunnel protective measures would be required to protect the structure from an aggressive marine transport environment and wave action. A physical barrier would be required to protect the tunnel against impact from marine vessels.
Between the PLA berth and Central Reclamation Phase I
- The CWB road alignment could possibly dip steeply towards the west to a level of -25.3mPD after passing the MTR Tsuen Wan Line to achieve a clear water depth of 9.5m for PLA vessels. The formation level for the CWB tunnel including its foundation is about -30mPD (Figure 5).Figure 5 - Immersed tube tunnel option - below seabed, profile at MTR Tsuen Wan Line
- The foundations of the CWB tunnel cause further constraints to immersed tube tunnel construction. Dredging of an immersed tube tunnel trench to -30mPD alongside the existing gravity structure seawalls would undermine the seawalls, the bases of which are around -5mPD.
- A staged construction (similar to that currently proposed for the implementation of the project) will be required, even for the immersed tube tunnel option. Advance reclamation areas are needed to reprovision affected facilities, such as the Star Ferry pier and Queen's Pier, before the existing facilities can be taken out of service to facilitate the dredging and construction of the CWB tunnel and the rest of the reclamation. - Bored (Deep) tunnel option: Not viable, as it will have to be built wholly within rock at a level of ranging from -65mPD to -80mPD. At these depths, it is impossible to connect with the existing at-grade road networks at Wan Chai North and Central Reclamation phase I area. The road gradients would also be too steep to comply with current design standards.
Experts' Views
- The Hong Kong Institute of Architects: "The HKIA accepts that the most reasonable, practical, environmentally sensitive and optimal solution to resolve the predictable traffic congestion problem in the Central and Wan Chai areas is to construct the CWB within CRIII area in the form of a tunnel through CRIII reclamation to the minimum extent. We do not see any acceptable alternative but to conform to this criteria".
- The Real Estate Developers Association of Hong Kong (REDA): "...acknowledges the need for a 3+3 lane Central/Wan Chai bypass and acknowledges that reclamation is needed to construct and protect this submerged road."
- Mr Koo Yuk-Chan, a civil and geotechnical engineer: "...extensive engineering studies have been carried out to investigate the feasibility of different alignment options for the CWB within the CRIII. The one presently adopted by the Government is the most practical, reasonable and environmentally acceptable option, requiring minimum reclamation and satisfying various constraints."
Conclusion
- The most reasonable, practical, environmentally acceptable and optimal option is to construct the CWB in the form of a tunnel through CRIII reclamation along the proposed alignment (Figure 6).
Figure 6 - Reclamation Extent for CRIII Minimum Option
Pumping stations design - no other alternatives
| Title | Content |
|---|---|
| Infrastructure Element | Cooling Water Pumping Station |
| Affected Buildings | Central Government Offices, Queensway Government Offices, High Court, Murray Building, Legislative Council Building, City Hall, Police Headquarters, Hongkong and Shanghai Bank Main Building, Pacific Place, Admiralty Centre, and Prince's Building Group |
| Type of Existing Cooling System | Seawater cooling system |
Background
- The seawater pumping stations extract seawater for the water-cooled air conditioning systems used by various buildings in Central and Wan Chai. The reclamation works under CRIII will affect several groups of cooling water pumping stations (CWPS). All the buildings affected will not properly function without reprovisioning the seawater intakes and discharge outlets for their central air-conditioning systems. All existing pumping stations have to be maintained prior to completion of the reprovisioned facilities to maintain the habitability of these buildings. From an engineering perspective, it is not feasible to reprovision these pumping stations outside of Central.
- Seawater cooling system is energy efficient and environmental friendly. No additional floor space is required in existing buildings. It is easy to operate and maintain
Types of Cooling System
- Other types of cooling systems include: fresh water cooling towers, air-cooled system, water-cooled air conditioning system (centralized piped supply system for condenser cooling, centralised piped supply system for cooling towers and district cooling scheme).
Fresh Water Cooling Towers
- Less energy efficient than seawater systems
- Additional plant needed for the same amount of cooling
- Additional floor space required
- Major component of existing seawater cooling system would need to be replaced
Air-Cooled System
- Environmental unfriendly
- Less energy efficient than seawater system
- Substantial extra space required but unlikely to be available within the existing buildings
- High cost to modify existing systems
Centralized piped supply system for condenser cooling, centralized piped supply system for cooling towers and district cooling scheme
- Less energy efficient than seawater cooled system
- Additional plant needed for the same amount of cooling
- Additional floor space for plant, equipment, condenser or evaporative cooling tower is unlikely available
- Institutional and legal issues such as identification of a service provider, liabilities in case of breakdown and property rights are controversial
- Complex development, operations and maintenance liabilities, financing, private sector investment and customer faith are other issues that require resolution
- Mr Albert Cheng Wai-shing, a chartered engineer from Black & Veatch Hong Kong Limited: "The continued adoption of seawater cooling is a logical technical solution for the end users as there will be minimum interruption to the formal operation of existing pumping stations during the reprovisioning works."
Other Alternatives for Cooling Water System
Lagoon or Reservoir for Cooling Water
- The lagoon/reservoir option presents serious technical problems, such as size and arrangement of supply pipelines to ensure water is adequately replenished;
- Construction of lagoons/reservoirs in the reclamation area will block existing pumping station intake and outfall pipes;
- The large volume of harbour water required in a lagoon could present environmental and health risks. If the water is not adequately circulated and used then pollutant levels would increase.
- Existing pumping equipment would require upgrading to cater for the net positive suction head requirements to draw seawater from the lagoons/reservoirs;
- The hydraulics of a new suction culvert from the harbour to the proposed lagoons/reservoirs and passing around the CWB must be reviewed critically;
- The provision of a new pipe suction culvert under the CWB Tunnel would impose construction difficulties and maintenance problems;
- Some people have suggested relocating the pumping stations and introducing suction culverts around the CWB. Mr Albert Cheng Wai-shing points out that such an option will "impose hydraulic difficulties in maintaining a self-cleansing velocity in the culverts, which will subsequently cause settlement and maintenance problems".
- Another chartered engineer, Mr Edwin Chung Kwok-fai from Black & Veatch Hong Kong Limited, has studied some pumping station design alternatives other than the one proposed by the Government. His believes that the other designs are either impractical, or do not follow the common practice, or will impose severe constraints to the design of the pipe and the CWB structure as well as its method of construction. He says other designs would not normally be adopted.
Types of Foundation for CWPS
- The alternatives for foundation design are rockfill mound foundation, the pile foundation (driven piles or bored piles) and the mat foundation.
Rock fill Mound Foundation
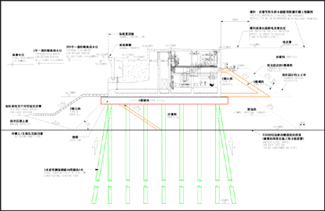
- The rock fill mound foundation has the merit of simple construction method. After dredging the soft marine clay, the rock fill is then laid into position by barge until the desired elevation is reached. This type of foundation is adopted for the foundation of practically all seawall structures in Hong Kong and is recommended in the Port Works Design Manual published by the Civil Engineering Department.
- The slope of the rock fill mound is inclined about 35 degrees to the horizontal. The deeper the dredging level, the wider the base of rock fill required. The use of a vertical seawall resting above the rock fill mound would minimize the width of the base. (Figure 7)
Figure 7 - Typical section of rock fill mound foundation for cooling water pumping station
Pile Foundation
- While a CWPS can be as high as 13 metres, the ground behind the CWPS would yield high lateral earth pressures, which shall be counter-balanced by the pile foundations.
- If the driven pile option is adopted, raking piles can be driven to counter-act the earth pressure. (Figure 8)
Figure 8 - Typical section of driven pile foundation for cooling water pumping station
- If the bored pile option is adopted, only vertical piles could be installed. (Figure 9)
Figure 9 - Typical section of bored pile foundation for cooling water pumping station
The earth pressure shall be resisted by the group of bored piles acting as a block.
- The pile cap is located at 6.7 metres below the mean sea level. It would be very difficult to construct the pile cap as underwater construction will be required. This would be the prime concern for consideration of the pile foundation alternative.
- The pile foundation is not recommended in the Port Works Design Manual for supporting the CWPS or seawalls.
Mat Foundation
- The mat foundation is composed of precast cellular caisson structures in-filled with ballast materials. (Figure 10)
Figure 10 - Typical section of caisson foundation for cooling water pumping station
- The mat foundation could transfer the vertical and the horizontal loads of the CWPS directly onto the dredging level.
- The mat foundation is not recommended in the Port Works Design Manual for supporting the CWPS or seawalls.
Cost Comparison
- The rock fill mound has the lowest construction cost, about $9 million for the CRIII (including the cost of rock)
- The pile foundations, either driven pile or the bored pile options, would cost of about $120 million to $130 million, excluding the cost of the underwater pile cap.
- The mat foundation would cost about $120 million to $130 million.
- The pile foundation or mat foundation methods would cost considerably more than 10 times that of a rock fill mound foundation.
Conclusion
- The seawater cooling system adopted for CRIII, with the current design of pumping station and foundation, is the optimal solution.









